- Hydronic heating
- Insights
- Underfloor heating
Radiant heating and cooling: one system, two functions
System conception of radiant heating and cooling
The structure of a combined radiant heating and cooling system is the same as for a purely radiant heating system. However, in addition to the connection of the surface heating to a heat generator, e.g. a condensing boiler or a heat pump, cold water also has to be available for cooling.
Systems with separate heating and cooling generators are mainly used in office and commercial buildings. Heat pumps with cooling function, on the other hand, are now increasingly found as compact units in detached houses and apartment buildings.
A particularly efficient method of radiant cooling is passive cooling using a heat pump with a ground collector or ground probe. In this case, cool groundwater is fed directly into the system via a heat exchanger and thus cools the system water for the radiant cooling. Since the groundwater has temperatures of about 10 to 15°C even on warm summer days and the heat pump’s compressor is only needed for domestic hot water heating, the "cold" for cooling the rooms is available at almost zero cost.
Active cooling is also an option with a reversible heat pump or pure cooling generator. Here the building itself becomes an energy source as the heat pump draws energy from the building and then delivers it to the environment by reversing the refrigeration circuit in the heat pump.
Cooling vs. Heating

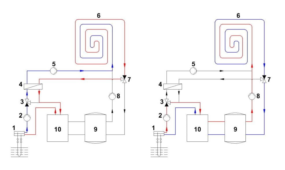
1: geothermal probe / 2: primary pump / 3: primary 3-way reversing valve / 4: heat exchanger / 5: secondary pump for cooling / 6: radiant heating and cooling / 7: secondary 3-way reversing valve / 8: secondary pump for heating / 9: buffer tank / 10: heat pump
Regulation of a radiant heating and cooling system
The individual room control for a radiant heating and cooling system is usually carried out via room thermostats and electrothermal actuators. Since these are used for both heating and cooling, the room temperature controllers must have the option of reversing the operating direction. With the Purmo Unisenza individual room control, the reversal of the operating direction between heating and cooling is carried out either directly via the thermostat or with a central changeover signal. Bathrooms and rooms with a high potential moisture content do not qualify for floor cooling because the high humidity levels can quickly cause the dew point to be undershot here, for example, when taking a shower.
It is therefore also important to monitor the room humidity or the dew point temperature in a surface cooling system to ensure that the temperature does not fall below the dew point and condensation does not form. To this end, the Purmo Unisenza safety edge has an input for a dew point monitor that closes the cooling circuits if there is a risk of the temperature falling below the dew point.
Coolant temperature
It’s important that the water circulating in the heating circuits doesn’t fall below a certain temperature. Since the dew point temperatures, i.e. the temperature above which condensation forms, lie between 9°C and 24°C, depending on the room air temperature and relative room humidity, flow temperatures below 9°C are not practical. Flow temperatures between 12°C and 16°C are common. However, the minimum floor surface temperature is crucial to prevent condensation from forming on the floor. 18 to 20°C has proven to be the minimum surface temperatures.Cooling capacity
The cooling capacity of a radiant heating and cooling system depends on the temperature difference between the floor surface and the room temperature. The specific cooling capacity of radiant cooling is approx. 6, 8 or 11 W/m2 K (floor, wall or ceiling). With a minimum surface temperature of 20°C and a room air temperature of 26°C, this results in cooling capacities of about 36, 48 or 66 W/m2 respectively. Higher cooling capacities can only be achieved with greater effort because of the risk of condensation. In special cases (e.g. Purmo eco clay), however, they can at times be as high as 120 W/m2.Planning of a radiant heating and cooling system
The planning for radiant heating and cooling is carried out in the same way as for conventional radiant heating, as heating is usually the primary application. In contrast to air-conditioning systems, for example, the cooling is considered to be an additional benefit in terms of planning. While in the heating case the temperature difference between flow and return is approx. 5-7K, in the cooling case it is approx. 3K in order to achieve sufficient cooling performance. Therefore, it’s necessary to design the surface heating with the lowest possible system temperatures and thus high water circulation quantities.Requirements for radiant heating and cooling
When installing a radiant heating and cooling system, all pipework that comes into contact with the room air has to be insulated against condensation. The same applies to the heating circuit distributor. Furthermore, the individual room control has to be suitable for heating and cooling. If this is not the case, a humidity monitor should be installed. Otherwise, the design is the same as for a "normal" radiant heating system.Conclusion
Thanks to the Unisenza individual room control, no additional effort is required to transform the proven and quality-controlled Purmo radiant heating system into a combined radiant heating and cooling system. The complete heating and cooling functionality is already integrated. Only the additional dew point monitor needs to be taken into account. This means that the already high comfort value of a Purmo radiant heating system can be increased even further without any great additional effort in terms of materials and costs.
